| Askı Tipi | 2:1 | Seyir Mesafesi | 33 M. | Statik Yük | 12000 kg | ||||
| Suspansion | Cruising Range | Statik Load | |||||||
| Makine Tipi | Hız (m/s) | Kapasite (kg) | Güç (kW) | Kasnak (mm) | Akım (A) | Kutup | Frekans | Devir (rpm) | Tork (Nm) |
| Machine Type | Speed (m/s) | Capacity (kg) | Power (kW) | Pulley (mm) | Current (A) | Poles | Frequency | Revolution (rpm) | Torque (Nm) |
| VOLPİ MRL 2-7 | 0,63 | 3000 | 11,6 | 360x15x8 | 41,1 | 20P | 11,14 | 67 | 1655 |
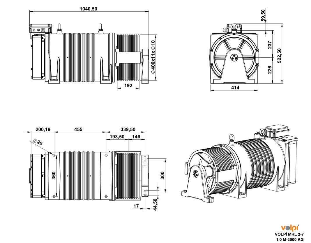
| VOLPİ MRL 2-7 | 1,00 | 3000 | 18,4 | 360x15x8 | 55,7 | 20P | 17,68 | 106 | 1655 |
| VOLPİ MRL 2-7 | 1,60 | 3000 | 29,4 | 360x15x8 | 78,0 | 20P | 28,29 | 170 | 1655 |
| VOLPİ MRL 2-7 | 2,00 | 3000 | 36,8 | 360x15x8 | 91,8 | 20P | 35,37 | 212 | 1655 |
| VOLPİ MRL 2-7 | 2,50 | 3000 | 46,0 | 360x15x8 | 114,8 | 20P | 44,21 | 265 | 1655 |
| VOLPİ MRL 2-7 | 0,63 | 3000 | 11,6 | 400X11X10 | 41 | 20P | 10,03 | 60 | 1839 |
| VOLPİ MRL 2-7 | 1,00 | 3000 | 18,4 | 400X11X10 | 65 | 20P | 15,92 | 95 | 1839 |
| VOLPİ MRL 2-7 | 1,60 | 3000 | 29,4 | 400X11X10 | 78 | 20P | 25,46 | 153 | 1839 |
| VOLPİ MRL 2-7 | 2,00 | 3000 | 36,8 | 400X11X10 | 98 | 20P | 31,83 | 191 | 1839 |
| VOLPİ MRL 2-7 | 2,50 | 3000 | 46,0 | 400X11X10 | 115 | 20P | 39,79 | 239 | 1839 |
| VOLPİ MRL 2-7 | 0,63 | 3500 | 13,5 | 320x19x8 | 47,8 | 20P | 12,53 | 75 | 1717 |
| VOLPİ MRL 2-7 | 1,00 | 3500 | 21,4 | 320x19x8 | 65,0 | 20P | 19,89 | 119 | 1717 |
| VOLPİ MRL 2-7 | 1,60 | 3500 | 34,3 | 320x19x8 | 91,1 | 20P | 31,83 | 191 | 1717 |
| VOLPİ MRL 2-7 | 2,00 | 3500 | 42,9 | 320x19x8 | 107.1 | 20P | 39,79 | 239 | 1717 |
| VOLPİ MRL 2-7 | 2,50 | 3500 | 53,6 | 320x19x8 | 133.9 | 20P | 49,74 | 298 | 1717 |
| Teknik Döküman | İndir |